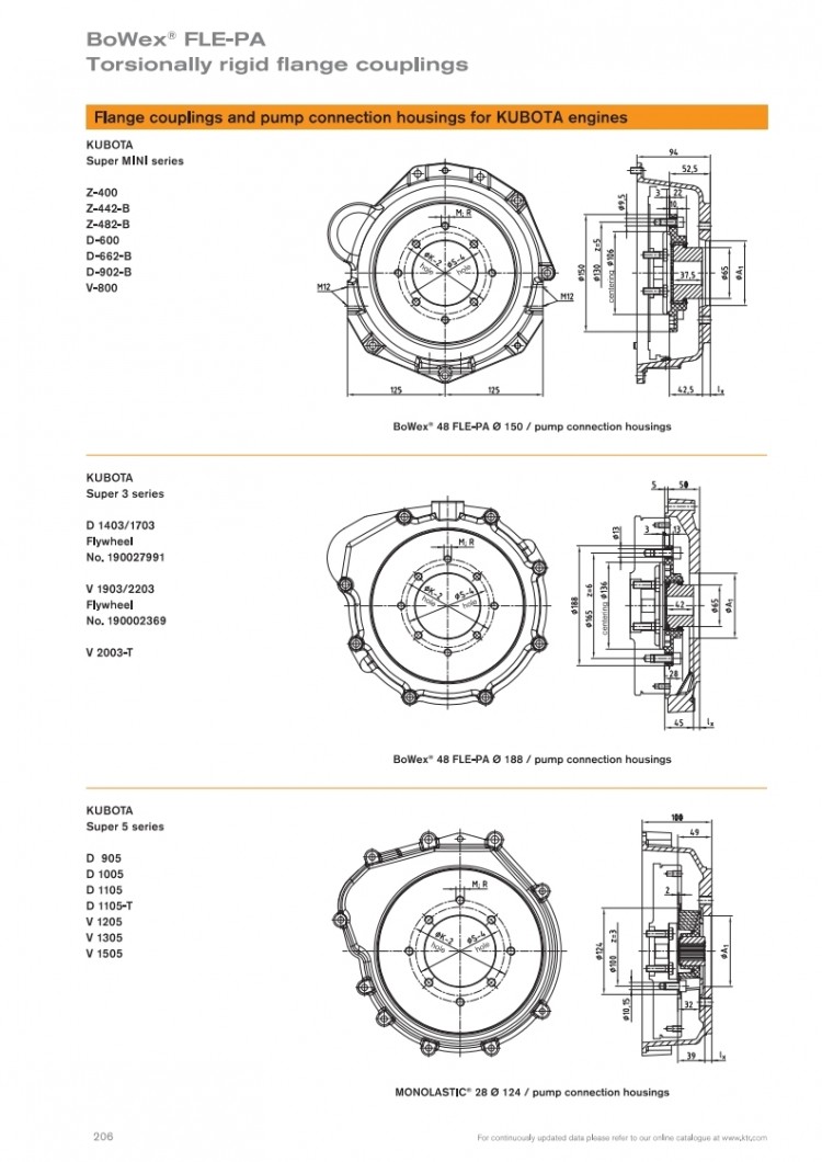
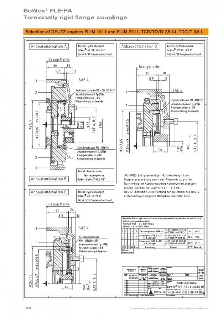
Bwoex type Bowex FLE-PA_PAC 페이지 정보 작성자 관리자 댓글 0건 조회 1,451회 작성일 19-04-05 22:20 이전글 다음글 목록 본문 Bowex FLE-PA_PAC 목록