기업소개
ABOUT K-MEMS
제품소개
PRODUCT
산업별적용
INDUSTRIES
커뮤니티
COMMUNICATE
해외사업
OVERSEAS BUSINESS
자료실
DATA
DRIVE TECHNOLOGY
Couplings
Flexible jaw and pin_bush couplings
Gear couplings
Backlash-free servo couplings
Steel lamina couplings
Flange couplings
Magnetic couplings
Fluid couplings
Torque limiters
Torque limiters
Overload systems
Backlash-free overload systems
Clamping sets and precision joints
Clampex
Clamping nuts
Precision joints
Torque measuring technology
Torque measuring shafts
ATEX-Explosion Protection
Spiders
New Products
BRAKE SYSTEMS
Passive floating caliper brakes
Hydraulic brake systems
Electromechanic brake systems
Yaw brakes
Hydraulic brake systems
Active fixed caliper brakes
Hydraulic brake systems
Active floating caliper brakes
Hydraulic brake systems
Electromechanic brake systems
Electronic control systems
Hub with Brake disk
Rotor Lock
Hydraulic systems
Electromechanic systems
Hydraulic clamping systems
Clamping systems
Hydraulic clamping systems
Thruster Brakes
KTR-STOP TB S
KTR-STOP TB T
Control system
IntelliRamp_ECS
New Products
HYDRAULIC COMPONENTS
Bellhousing and accessoires
Tanks and Accessoires
New Products
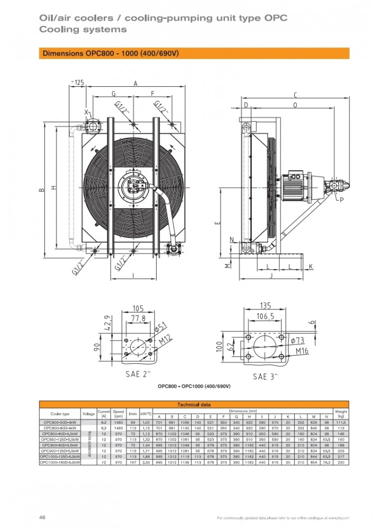
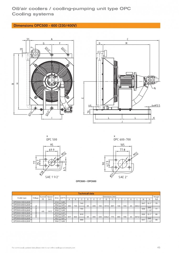
COOLING SYSTEMS
Oil_air cooler
Combined cooler
Oil_water cooler
New Products
INSTRUMENTS AND ANAYZERS
Analyzers
TMS Systems(WWT)
Analyzer Transmitter(Converter)
PH_ORP Analyzer
Conductivity Analyzer
SS_MLSS_Turbidity Analyzer
DO Analyzer
Automatic Electrode Cleaning
New Products
Instruments
Flow Measurement
Level Measurement
New products
Notifications
Latest News
Items Video
Oil_air cooler
HOME
>
Oil_air cooler
OPC type
페이지 정보
작성자
관리자
댓글
0건
조회
931회
작성일
19-04-03 20:54
이전글
다음글
목록
본문
OPC type
목록